Mud gun and tapping drill – Type 1
Suitable for placement in front of furnaces where lateral movement is required. The equipment features an integrated hydraulic system, electrical control system, and combines functions for hole opening, plugging, and reaming.
The primary characteristic of this product is its dual telescopic design, making it suitable for narrower workspaces. Customers only need to install the rails and connect the power supply to begin operation.
Mud gun and tapping drill – Type 1
Rail Type Design
Equipment Overview
Suitable for placement in front of furnaces where lateral movement is required. The equipment features an integrated hydraulic system, electrical control system, and combines functions for hole opening, plugging, and reaming.
The primary characteristic of this product is its dual telescopic design, making it suitable for narrower workspaces. Customers only need to install the rails and connect the power supply to begin operation.
Rock Drills for Hole Opening
Options include pneumatic rock drills, hydraulic rock drills, and combined pneumatic-hydraulic rock drills.
Control Methods
The equipment supports remote wireless control and wired manual control.
On - Site
Blueprints / Drawings
Note: These drawings are for reference only. The final design will be customized based on your requirements.
Outline Drawing
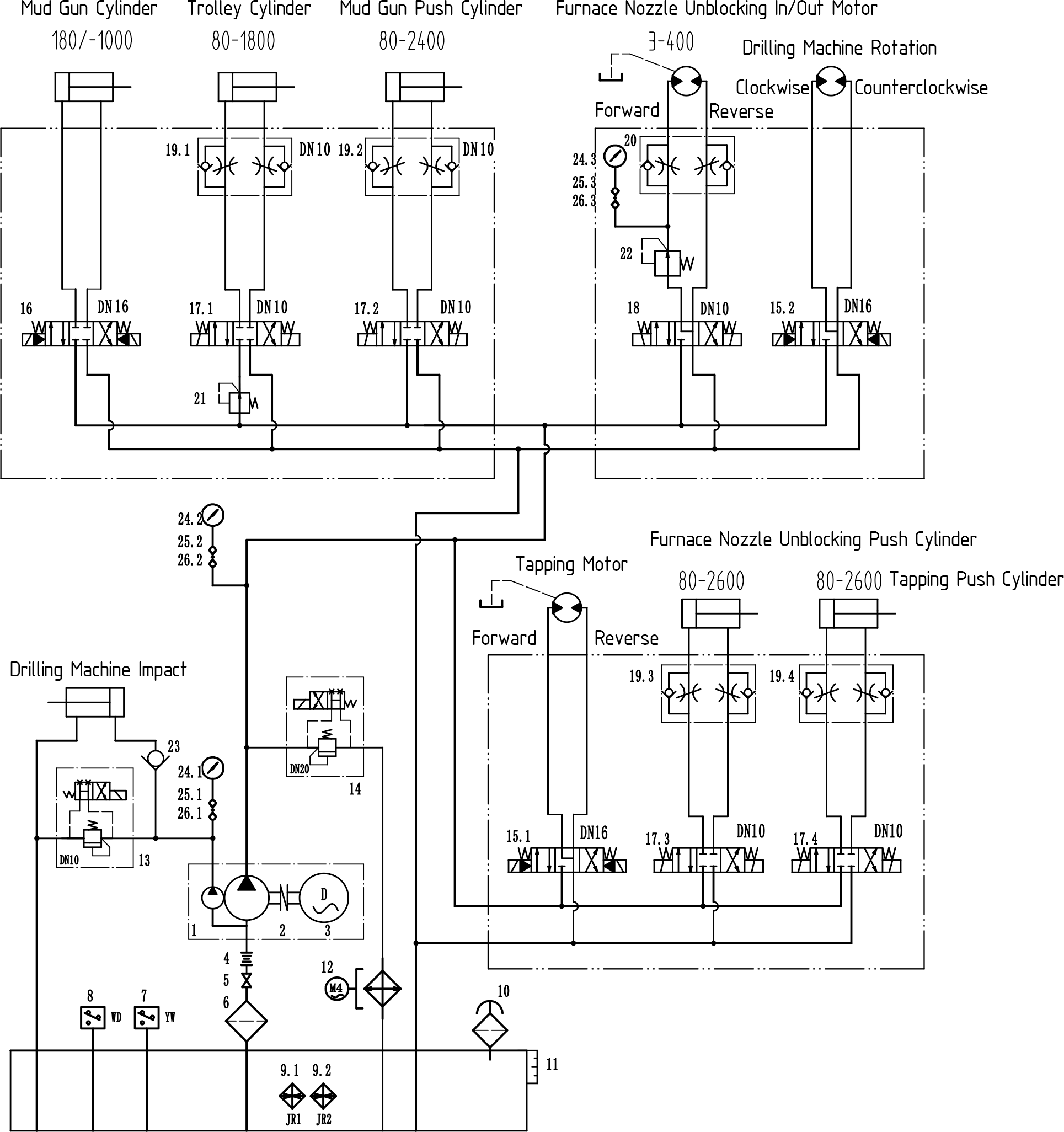
Hydraulic Circuit Diagram
Layout Drawing
Main Parameter
Hydraulic Tapping Machine
| 1 | Mud cannon mud capacity (L) | approximately 50 |
| 2 | Mud pushing speed (mm/s) | approximately 60 |
| 3 | Working pressure (MPa) | 8 |
| 4 | Oil tank capacity (L) | 120 |
| 5 | Mud cannon inner diameter (mm) | 250 |
| 6 | Main carriage speed (m/min) | 10 |
| 7 | Trolley speed (m/min) | 0-15 (adjustable) |
| 8 | Trolley travel (mm) | 1800 |
| 9 | Total power (kW) | 22 |
| 10 | Rock drill air hose inner diameter (mm) | Ø 13 |
| 11 | Drill rotation speed (r/min) | 0-400 |
| 12 | Drill rotation torque (Nm) | 500 |
| 13 | Impact frequency (Hz) | 50 |
| 14 | Drill feed force (kgf) | 500-1100 (adjustable) |
| 15 | Drill feed speed (m/min) | 10-20 (adjustable) |
| 16 | Drill travel (mm) | 3000 |
The above parameters are for reference; customization is available according to specific requirements.
Ready to take your project to the next level?
Trust our experienced team to provide customized solutions for your project. We’re available 24/7 to answer your questions. Contact us now to get started.



